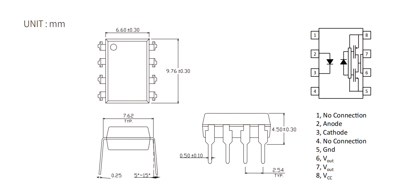
| Product | Package | size(LxWxHmm) | IFLH (Max) (mA) | VCC (Min) (V) | VCC (Max) (V) | tPHL(ns) | tPLH(ns) | Output Current (A) | CMR(V/us) | Topr (Min) (degC) | Topr (Max) (degC) | Viso (Vrms) |
| KL3120 | DIP8 | 9.76x6.6x3.5 | 5 | 15 | 30 | 300 | 300 | 2.5 | 25000 | -40 | +110 | 5000 |
| Broadcom/Avago | Onsemi/Fairchild | Toshiba | Vishay | Liteon | EL | Cosmo | Sharp | QUNXIN |
| HCPL-3120/QCPL-341H/ACPL-312T/HCPL-J312/ACPL-T350/HCPL-3180/HCPL-T250/ACPL-3130/ACPL-J313/ACPL-T350 | FOD3120/MOCD3120 | TLP350H/TLP250H | VO3120 | LTV-3120 | EL3120 | KTLP350/KTLP250 | PC925L0NSZ0F/PC925LENIP0F/PC942J | QX3120 |
